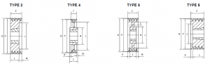
Cast Iron Taper Lock Pulleys – SPA
Product Specifications
SPA/01

| SPA/01 | Grooves | PCD | O.D | Type | Bush | Max Bore | E | F | J | K | L | M | N |
|---|---|---|---|---|---|---|---|---|---|---|---|---|---|
| SPA63-01 | 1 | 63.0 | 68.5 | 9 | 1008 | 25 | – | 20 | – | 18 | 22 | – | – |
| SPA67-01 | 1 | 67.0 | 72.5 | 1 | 1008 | 25 | – | 20 | – | – | 22 | 2 | 62 |
| SPA71-01 | 1 | 71.0 | 76.5 | 1 | 1008 | 25 | – | 20 | – | – | 22 | 2 | 62 |
| SPA75-01 | 1 | 75.0 | 80.5 | 1 | 1008 | 28 | – | 20 | – | – | 22 | 2 | 62 |
| SPA80-01 | 1 | 80.0 | 85.5 | 1 | 1210 | 32 | – | 20 | – | – | 22 | 2 | 75 |
| SPA85-01 | 1 | 85.0 | 90.5 | 1 | 1210 | 32 | – | 20 | – | – | 25 | 5 | 75 |
| SPA90-01 | 1 | 90.0 | 95.5 | 1 | 1210 | 32 | – | 20 | – | – | 25 | 5 | 75 |
| SPA95-01 | 1 | 95.0 | 100.5 | 1 | 1610 | 42 | – | 20 | – | – | 25 | 5 | 75 |
| SPA100-01 | 1 | 100.0 | 105.5 | 1 | 1610 | 42 | – | 20 | – | – | 25 | 5 | 75 |
| SPA106-01 | 1 | 106.0 | 111.5 | 1 | 1610 | 42 | – | 20 | – | – | 25 | 5 | 75 |
| SPA112-01 | 1 | 112.0 | 117.5 | 9 | 1610 | 42 | – | 20 | – | – | 25 | 5 | 75 |
| SPA118-01 | 1 | 118.0 | 123.5 | 9 | 1610 | 42 | – | 20 | – | – | 25 | 5 | 75 |
| SPA125-01 | 1 | 125.0 | 130.5 | 9 | 1610 | 42 | – | 20 | – | – | 25 | 5 | 75 |
| SPA132-01 | 1 | 132.0 | 137.5 | 1 | 1610 | 42 | – | 20 | – | – | 25 | 5 | 75 |
| SPA140-01 | 1 | 140.0 | 145.5 | 1 | 1610 | 42 | – | 20 | – | – | 25 | 5 | 75 |
| SPA150-01 | 1 | 150.0 | 155.5 | 1 | 1610 | 42 | – | 20 | – | – | 25 | 5 | 75 |
| SPA160-01 | 1 | 160.0 | 165.5 | 7 | 1610 | 42 | – | 20 | – | – | 25 | 5 | 75 |
| SPA170-01 | 1 | 170.0 | 175.5 | 7 | 1610 | 42 | 10 | 20 | 137 | – | 25 | 5 | 75 |
| SPA180-01 | 1 | 180.0 | 185.5 | 7 | 1610 | 42 | 10 | 20 | 147 | – | 25 | 5 | 75 |
| SPA190-01 | 1 | 190.0 | 195.5 | 7 | 1610 | 42 | 10 | 20 | 157 | – | 25 | 5 | 75 |
| SPA200-01 | 1 | 200.0 | 205.5 | 7 | 2012 | 50 | 10 | 20 | 167 | – | 32 | 12 | 95 |
| SPA212-01 | 1 | 212.0 | 217.5 | 7 | 2012 | 50 | 10 | 20 | 177 | – | 32 | 12 | 100 |
| SPA224-01 | 1 | 224.0 | 229.5 | 7 | 2012 | 50 | 10 | 20 | 190 | – | 32 | 12 | 95 |
| SPA250-01 | 1 | 250.0 | 255.5 | 4 | 2012 | 50 | – | 20 | 216 | – | 32 | 12 | 95 |
| SPA280-01 | 1 | 280.0 | 285.5 | 4 | 2012 | 50 | – | 20 | 246 | – | 32 | 12 | 95 |
| SPA315-01 | 1 | 315.0 | 320.5 | 4 | 2012 | 50 | – | 20 | 281 | – | 32 | 12 | 95 |
| SPA355-01 | 1 | 355.0 | 360.5 | 4 | 2012 | 50 | – | 20 | 321 | – | 32 | 12 | 95 |
| SPA400-01 | 1 | 400.0 | 405.5 | 4 | 2012 | 50 | – | 20 | 366 | – | 32 | 12 | 95 |
| SPA450-01 | 1 | 450.0 | 455.5 | 4 | 2012 | 50 | – | 20 | 416 | – | 32 | 12 | 95 |
| 1 | 505.5 | 4 | 2517 | 60 | – | 20 | 466 | – | 45 | 25 | 120 | ||
| SPA630-01 | 1 | 630.0 | 635.0 | 4 | 2517 | 60 | – | 20 | 596 | – | 45 | 25 | 120 |
sPA/02

| SPA/02 | Grooves | PCD | O.D | Type | Bush | Max Bore | E | F | J | K | L | M | N |
|---|---|---|---|---|---|---|---|---|---|---|---|---|---|
| SPA63-02 | 2 | 63.0 | 68.5 | 9 | 1008 | 28 | – | 35 | 36 | 33 | 22 | – | – |
| SPA67-02 | 2 | 67.0 | 72.5 | 8 | 1008 | 28 | – | 35 | 37 | 13 | 22 | – | – |
| SPA71-02 | 2 | 71.0 | 76.5 | 8 | 1008 | 28 | – | 35 | 40 | 13 | 22 | – | – |
| SPA75-02 | 2 | 75.0 | 80.5 | 8 | 1008 | 28 | – | 35 | 44 | 10 | 22 | – | – |
| SPA80-02 | 2 | 80.0 | 85.5 | 8 | 1210 | 32 | – | 35 | 47 | 10 | 25 | – | – |
| SPA85-02 | 2 | 85.0 | 90.5 | 8 | 1210 | 32 | – | 35 | 52 | 10 | 25 | – | – |
| SPA90-02 | 2 | 90.0 | 95.5 | 8 | 1108 | 42 | – | 35 | 60 | 10 | 22 | – | – |
| SPA95-02 | 2 | 95.0 | 100.5 | 8 | 1210 | 42 | – | 35 | 65 | 10 | 22 | – | – |
| SPA100-02 | 2 | 100.0 | 105.5 | 8 | 1210 | 42 | – | 35 | 70 | 10 | 25 | – | – |
| SPA106-02 | 2 | 106.0 | 111.5 | 8 | 1610 | 42 | – | 35 | 76 | 10 | 25 | – | – |
| SPA112-02 | 2 | 112.0 | 117.5 | 8 | 1610 | 42 | – | 35 | 82 | 10 | 25 | – | – |
| SPA118-02 | 2 | 118.0 | 123.5 | 8 | 1610 | 42 | – | 35 | 88 | 10 | 25 | – | – |
| SPA125-02 | 2 | 125.0 | 130.5 | 8 | 1610 | 42 | – | 35 | 95 | 10 | 25 | – | – |
| SPA132-02 | 2 | 132.0 | 137.5 | 8 | 2012 | 50 | – | 35 | 102 | 3 | 32 | – | – |
| SPA140-02 | 2 | 140.0 | 145.5 | 8 | 2012 | 50 | – | 35 | 110 | 3 | 32 | – | – |
| SPA150-02 | 2 | 150.0 | 155.5 | 8 | 2012 | 50 | – | 35 | 120 | 3 | 45 | – | – |
| SPA160-02 | 2 | 160.0 | 165.5 | 8 | 2012 | 50 | – | 35 | 130 | 3 | 45 | – | – |
| SPA170-02 | 2 | 170.0 | 175.5 | 7 | 2012 | 50 | 12 | 35 | 137 | 3 | 45 | – | 95 |
| SPA180-02 | 2 | 180.0 | 185.5 | 6 | 2012 | 50 | 12 | 35 | 147 | 1.5 | 45 | 1.5 | 95 |
| SPA190-02 | 2 | 190.0 | 190.5 | 6 | 2012 | 50 | 12 | 35 | 157 | 1.5 | 45 | 1.5 | 95 |
| SPA200-02 | 2 | 200.0 | 205.5 | 7 | 2517 | 60 | 12 | 35 | 167 | 5 | 45 | 5 | 120 |
| SPA212-02 | 2 | 212.0 | 217.5 | 7 | 2517 | 60 | 12 | 35 | 177 | 5 | 45 | 5 | 120 |
| SPA224-02 | 2 | 224.0 | 229.5 | 7 | 2517 | 60 | 12 | 35 | 190 | 5 | 45 | 5 | 120 |
| SPA250-02 | 2 | 250.0 | 255.5 | 4 | 2517 | 60 | – | 35 | 216 | 5 | 45 | 5 | 120 |
| SPA280-02 | 2 | 280.0 | 285.5 | 4 | 2517 | 60 | – | 35 | 246 | – | 45 | 10 | 120 |
| SPA315-02 | 2 | 315.0 | 320.5 | 4 | 2517 | 60 | – | 35 | 281 | – | 45 | 10 | 120 |
| SPA355-02 | 2 | 355.0 | 360.5 | 4 | 2517 | 60 | – | 35 | 321 | – | 45 | 10 | 120 |
| SPA400-02 | 2 | 400.0 | 405.5 | 4 | 2517 | 60 | – | 35 | 366 | – | 45 | 10 | 120 |
| SPA450-02 | 2 | 450.0 | 455.5 | 4 | 2517 | 60 | – | 35 | 416 | – | 45 | 10 | 120 |
| SPA500-02 | 2 | 500.0 | 505.5 | 4 | 2517 | 60 | – | 35 | 466 | – | 45 | 10 | 120 |
| SPA560-02 | 2 | 560.0 | 254.0 | 4 | 3020 | 75 | – | 35 | 526 | – | 45 | 16 | 150 |
| SPA630-02 | 2 | 630.0 | 284.0 | 4 | 3020 | 75 | 35 | 596 | – | 45 | 16 | 150 |
sPA/03

| SPA/03 | Grooves | PCD | O.D | Type | Bush | Max Bore | E | F | J | K | L | M | N |
|---|---|---|---|---|---|---|---|---|---|---|---|---|---|
| SPA71-03 | 3 | 71.0 | 76.5 | 8 | 1008 | 28 | – | 50 | 40 | 28 | 22 | – | – |
| SPA75-03 | 3 | 75.0 | 80.5 | 8 | 1210 | 32 | – | 50 | 44 | 25 | 25 | – | – |
| SPA80-03 | 3 | 80.0 | 85.5 | 8 | 1210 | 32 | – | 50 | 47 | 25 | 25 | – | – |
| SPA85-03 | 3 | 85.0 | 90.5 | 8 | 1210 | 32 | – | 50 | 52 | 25 | 25 | – | – |
| SPA90-03 | 3 | 90.0 | 95.5 | 8 | 1610 | 42 | – | 50 | 60 | 25 | 25 | – | – |
| SPA95-03 | 3 | 95.0 | 100.5 | 8 | 1610 | 42 | – | 50 | 65 | 25 | 25 | – | – |
| SPA100-03 | 3 | 100.0 | 105.5 | 8 | 1610 | 42 | – | 50 | 70 | – | 25 | 25 | – |
| SPA106-03 | 3 | 106.0 | 111.5 | 8 | 1610 | 42 | – | 50 | 76 | – | 25 | 25 | – |
| SPA112-03 | 3 | 112.0 | 117.5 | 8 | 2012 | 50 | – | 50 | 79 | 18 | 32 | – | – |
| SPA118-03 | 3 | 118.0 | 123.5 | 8 | 2012 | 50 | – | 50 | 85 | – | 32 | 18 | – |
| SPA125-03 | 3 | 125.0 | 130.5 | 2 | 2012 | 50 | – | 50 | 92 | – | 32 | 18 | – |
| SPA132-03 | 3 | 132.0 | 137.5 | 2 | 2012 | 50 | – | 50 | 99 | – | 32 | 18 | – |
| SPA140-03 | 3 | 140.0 | 145.5 | 8 | 2517 | 60 | – | 50 | 107 | 5 | 45 | – | – |
| SPA150-03 | 3 | 150.0 | 155.5 | 8 | 2517 | 60 | – | 50 | 117 | 5 | 45 | – | – |
| SPA160-03 | 3 | 160.0 | 165.5 | 8 | 2517 | 60 | – | 50 | 127 | 5 | 45 | – | – |
| SPA170-03 | 3 | 170.0 | 175.5 | 8 | 2517 | 60 | – | 50 | 137 | 5 | 45 | – | – |
| SPA180-03 | 3 | 180.0 | 185.5 | 8 | 2517 | 60 | – | 50 | 147 | 5 | 45 | – | – |
| SPA190-03 | 3 | 190.0 | 195.5 | 6 | 2517 | 60 | 15 | 50 | 157 | 5 | 45 | – | 120 |
| SPA200-03 | 3 | 200.0 | 205.5 | 6 | 2517 | 60 | 15 | 50 | 167 | 2.5 | 45 | 2.5 | 120 |
| SPA212-03 | 3 | 212.0 | 217.5 | 6 | 2517 | 60 | 15 | 50 | 178 | 2.5 | 45 | 2.5 | 120 |
| SPA224-03 | 3 | 224.0 | 229.5 | 6 | 2517 | 60 | 15 | 50 | 190 | 2.5 | 45 | 2.5 | 120 |
| SPA250-03 | 3 | 250.0 | 255.5 | 4 | 2517 | 60 | – | 50 | 216 | 2.5 | 45 | 2.5 | 120 |
| SPA280-03 | 3 | 280.0 | 285.5 | 4 | 2517 | 60 | – | 50 | 246 | 2.5 | 45 | 2.5 | 120 |
| SPA315-03 | 3 | 315.0 | 320.5 | 4 | 3020 | 75 | – | 50 | 281 | 0.5 | 51 | 0.5 | 150 |
| SPA355-03 | 3 | 355.0 | 360.5 | 4 | 3020 | 75 | – | 50 | 321 | 0.5 | 51 | 0.5 | 150 |
| SPA400-03 | 3 | 400.0 | 405.5 | 4 | 3020 | 75 | – | 50 | 366 | 0.5 | 51 | 0.5 | 150 |
| SPA450-03 | 3 | 450.0 | 455.5 | 4 | 3020 | 75 | – | 50 | 416 | 0.5 | 51 | 0.5 | 150 |
| SPA500-03 | 3 | 500.0 | 505.5 | 4 | 3020 | 75 | – | 50 | 466 | 0.5 | 51 | 0.5 | 150 |
| SPA560-03 | 3 | 560.0 | 565.5 | 4 | 3020 | 75 | – | 50 | 526 | 0.5 | 51 | 0.5 | 150 |
| SPA630-03 | 3 | 630.0 | 635.5 | 4 | 3020 | 75 | – | 50 | 596 | 0.5 | 51 | 0.5 | 150 |
| SPA800-03 | 3 | 800.0 | 805.5 | 4 | 3535 | 90 | – | 50 | 766 | 19.5 | 89 | 19.5 | 170 |
| SPA1000-03 | 3 | 1000.0 | 1005.5 | 4 | 3535 | 90 | – | 50 | 966 | 19.5 | 89 | 19.5 | 170 |
sPA/04

| SPA/04 | Grooves | PCD | O.D | Type | Bush | Max Bore | E | F | J | K | L | M | N |
|---|---|---|---|---|---|---|---|---|---|---|---|---|---|
| SPA90-04 | 4 | 90.0 | 95.5 | 3 | 1615 | 42 | – | 65 | 59 | 13.5 | 38 | 13.5 | – |
| SPA95-04 | 4 | 95.0 | 100.5 | 3 | 1615 | 42 | – | 65 | 64 | 13.5 | 38 | 13.5 | – |
| SPA100-04 | 4 | 100.0 | 105.5 | 2 | 1615 | 42 | – | 65 | 69 | – | 38 | 27 | – |
| SPA106-04 | 4 | 106.0 | 111.5 | 8 | 2012 | 50 | – | 65 | 73 | 33 | 32 | – | – |
| SPA112-04 | 4 | 112.0 | 117.5 | 8 | 2012 | 50 | – | 65 | 79 | 33 | 32 | – | – |
| SPA118-04 | 4 | 118.0 | 123.5 | 2 | 2012 | 60 | – | 65 | 85 | – | 32 | 33 | – |
| SPA125-04 | 4 | 125.0 | 130.5 | 2 | 2012 | 60 | – | 65 | 92 | – | 32 | 33 | – |
| SPA132-04 | 4 | 132.0 | 137.5 | 2 | 2517 | 60 | – | 65 | 99 | – | 45 | 20 | – |
| SPA140-04 | 4 | 140.0 | 145.5 | 2 | 2517 | 60 | – | 65 | 107 | – | 45 | 20 | – |
| SPA150-04 | 4 | 150.0 | 155.5 | 2 | 2517 | 60 | – | 65 | 117 | – | 45 | 20 | – |
| SPA160-04 | 4 | 160.0 | 165.5 | 2 | 2517 | 60 | – | 65 | 127 | – | 45 | 20 | – |
| SPA170-04 | 4 | 170.0 | 175.5 | 2 | 2517 | 60 | – | 65 | 137 | – | 45 | 20 | – |
| SPA180-04 | 4 | 180.0 | 185.5 | 2 | 2517 | 60 | – | 65 | 147 | – | 45 | 20 | – |
| SPA190-04 | 4 | 190.0 | 190.5 | 2 | 2517 | 60 | – | 65 | 157 | – | 45 | 20 | – |
| SPA200-04 | 4 | 200.0 | 205.5 | 2 | 3020 | 75 | – | 65 | 167 | – | 51 | 14 | – |
| SPA212-04 | 4 | 212.0 | 217.5 | 2 | 3020 | 75 | 18 | 65 | 178 | – | 51 | 14 | 150 |
| SPA224-04 | 4 | 224.0 | 229.5 | 6 | 3020 | 75 | 18 | 65 | 190 | – | 51 | 14 | 150 |
| SPA250-04 | 4 | 250.0 | 255.5 | 6 | 3020 | 75 | 18 | 65 | 216 | 7 | 51 | 7 | 150 |
| SPA280-04 | 4 | 280.0 | 285.5 | 6 | 3020 | 75 | 18 | 65 | 246 | 7 | 51 | 7 | 150 |
| SPA315-04 | 4 | 315.0 | 320.5 | 6 | 3020 | 75 | 18 | 65 | 281 | 7 | 51 | 7 | 150 |
| SPA355-04 | 4 | 355.0 | 360.5 | 5 | 3020 | 75 | – | 65 | 321 | 7 | 51 | 7 | 150 |
| SPA400-04 | 4 | 400.0 | 405.5 | 5 | 3020 | 75 | – | 65 | 366 | 7 | 51 | 7 | 150 |
| SPA450-04 | 4 | 450.0 | 455.5 | 5 | 3020 | 75 | – | 65 | 416 | 7 | 51 | 7 | 150 |
| SPA500-04 | 4 | 500.0 | 505.5 | 5 | 3020 | 75 | – | 65 | 466 | 7 | 51 | 7 | 150 |
| SPA560-04 | 4 | 560.0 | 565.5 | 4 | 3535 | 90 | – | 65 | 526 | 12 | 89 | 12 | 170 |
| SPA630-04 | 4 | 630.0 | 635.5 | 4 | 3535 | 90 | – | 65 | 596 | 12 | 89 | 12 | 170 |
| SPA800-04 | 4 | 800.0 | 805.5 | 4 | 3535 | 90 | – | 65 | 766 | 12 | 89 | 12 | 170 |
| SPA1000-04 | 4 | 1000.0 | 1005.5 | 4 | 4040 | 100 | – | 65 | 966 | 18.5 | 102 | 18.5 | 200 |
sPA/05

| SPA/05 | Grooves | PCD | O.D | Type | Bush | Max Bore | E | F | J | K | L | M | N |
|---|---|---|---|---|---|---|---|---|---|---|---|---|---|
| SPA100-05 | 5 | 100.0 | 105.5 | 2 | 1615 | 42 | – | 80 | 69 | – | 38 | 42 | – |
| SPA106-05 | 5 | 106.0 | 111.5 | 8 | 2012 | 50 | – | 80 | 72 | 48 | 32 | – | – |
| SPA112-05 | 5 | 112.0 | 117.5 | 8 | 2012 | 50 | – | 80 | 78 | 48 | 32 | – | – |
| SPA118-05 | 5 | 118.0 | 123.5 | 2 | 2012 | 50 | – | 80 | 84 | – | 32 | 48 | – |
| SPA125-05 | 5 | 125.0 | 130.5 | 3 | 2012 | 50 | – | 80 | 91 | 24 | 32 | 24 | – |
| SPA132-05 | 5 | 132.0 | 137.5 | 3 | 2517 | 60 | – | 80 | 98 | 17.5 | 45 | 17.5 | – |
| SPA140-05 | 5 | 140.0 | 145.5 | 3 | 2517 | 60 | – | 80 | 106 | 17.5 | 45 | 17.5 | – |
| SPA150-05 | 5 | 150.0 | 155.5 | 3 | 2517 | 60 | – | 80 | 116 | 17.5 | 45 | 17.5 | – |
| SPA160-05 | 5 | 160.0 | 165.5 | 3 | 2517 | 60 | – | 80 | 126 | 17.5 | 45 | 17.5 | – |
| SPA170-05 | 5 | 170.0 | 175.5 | 3 | 2517 | 75 | – | 80 | 136 | 17.5 | 45 | 17.5 | – |
| SPA180-05 | 5 | 180.0 | 185.5 | 3 | 3020 | 75 | – | 80 | 146 | 14.5 | 51 | 14.5 | – |
| SPA190-05 | 5 | 190.0 | 190.5 | 3 | 3020 | 75 | – | 80 | 156 | 14.5 | 51 | 14.5 | – |
| SPA200-05 | 5 | 200.0 | 205.5 | 3 | 3020 | 75 | – | 80 | 166 | 14.5 | 51 | 14.5 | – |
| SPA212-05 | 5 | 212.0 | 217.5 | 2 | 3020 | 75 | – | 80 | 178 | – | 51 | 29 | – |
| SPA224-05 | 5 | 224.0 | 229.5 | 6 | 3020 | 75 | 20 | 80 | 190 | – | 51 | 29 | 150 |
| SPA250-05 | 5 | 250.0 | 255.5 | 6 | 3020 | 75 | 20 | 80 | 216 | 14.5 | 52 | 14.5 | 150 |
| SPA280-05 | 5 | 280.0 | 285.5 | 7 | 3535 | 90 | 20 | 80 | 246 | 4.5 | 89 | 4.5 | 170 |
| SPA315-05 | 5 | 315.0 | 320.5 | 4 | 3535 | 90 | 20 | 80 | 281 | 4.5 | 89 | 4.5 | 170 |
| SPA355-05 | 5 | 355.0 | 360.5 | 4 | 3535 | 90 | – | 80 | 321 | 4.5 | 89 | 4.5 | 170 |
| SPA400-05 | 5 | 400.0 | 405.5 | 4 | 3535 | 90 | – | 80 | 366 | 4.5 | 89 | 4.5 | 170 |
| SPA450-05 | 5 | 450.0 | 455.5 | 4 | 3535 | 90 | – | 80 | 416 | 4.5 | 89 | 4.5 | 170 |
| SPA500-05 | 5 | 500.0 | 505.5 | 4 | 3535 | 90 | – | 80 | 466 | 4.5 | 89 | 4.5 | 170 |
| SPA560-05 | 5 | 560.0 | 565.5 | 4 | 3535 | 90 | – | 80 | 526 | 4.5 | 89 | 4.5 | 170 |
| SPA630-05 | 5 | 630.0 | 635.5 | 4 | 3535 | 90 | – | 80 | 596 | 4.5 | 89 | 4.5 | 170 |
| SPA800-05 | 5 | 800.0 | 805.5 | 4 | 4040 | 100 | – | 80 | 766 | 11 | 102 | 11 | 200 |
| SPA1000-05 | 5 | 1000.0 | 1005.5 | 4 | 4545 | 100 | – | 80 | 966 | 17 | 114 | 17 | 225 |
sPA/06

| SPA/06 | Grooves | PCD | O.D | Type | Bush | Max Bore | E | F | J | K | L | M | N |
|---|---|---|---|---|---|---|---|---|---|---|---|---|---|
| SPA100-06 | 6 | 6 | 105.5 | 3 | 1615 | 42 | – | 95 | 69 | 28.5 | 38 | 28.5 | – |
| SPA106-06 | 6 | 6 | 111.5 | 8 | 2012 | 50 | – | 95 | 73 | 63 | 32 | – | – |
| SPA112-06 | 6 | 6 | 117.5 | 8 | 2012 | 50 | – | 95 | 79 | 63 | 32 | – | – |
| SPA118-06 | 6 | 6 | 123.5 | 8 | 2012 | 50 | – | 95 | 85 | 63 | 32 | – | – |
| SPA125-06 | 6 | 6 | 130.5 | 3 | 2012 | 50 | – | 95 | 92 | 31.5 | 32 | 31.5 | – |
| SPA132-06 | 6 | 132.0 | 137.5 | 3 | 2517 | 60 | – | 95 | 98 | 25 | 45 | 25 | – |
| SPA140-06 | 6 | 140.0 | 145.5 | 3 | 2517 | 60 | – | 95 | 106 | 25 | 45 | 25 | – |
| SPA150-06 | 6 | 150.0 | 155.5 | 3 | 2517 | 60 | – | 95 | 116 | 25 | 45 | 25 | – |
| SPA160-06 | 6 | 160.0 | 165.5 | 3 | 2517 | 60 | – | 95 | 126 | 25 | 45 | 25 | – |
| SPA180-06 | 6 | 180.0 | 185.5 | 3 | 3020 | 75 | – | 95 | 146 | 25 | 51 | 25 | – |
| SPA200-06 | 6 | 200.0 | 205.5 | 3 | 3020 | 75 | – | 95 | 116 | 22 | 51 | 22 | – |
| SPA224-06 | 6 | 224.0 | 229.5 | 3 | 3020 | 75 | – | 95 | 190 | 22 | 51 | 22 | – |
| SPA250-06 | 6 | 250.0 | 255.5 | 6 | 3020 | 75 | 25 | 95 | 216 | 22 | 51 | 22 | 150 |
| SPA280-06 | 6 | 280.0 | 285.5 | 6 | 3020 | 90 | 25 | 95 | 246 | 3 | 89 | 3 | 170 |
| SPA315-06 | 6 | 315.0 | 320.5 | 6 | 3020 | 90 | 25 | 95 | 281 | 3 | 89 | 3 | 170 |
| SPA355-06 | 6 | 355.0 | 360.5 | 5 | 3535 | 90 | – | 95 | 321 | 3 | 89 | 3 | 170 |
| SPA400-06 | 6 | 400.0 | 405.5 | 5 | 3535 | 90 | – | 95 | 366 | 3 | 89 | 3 | 170 |
| SPA450-06 | 6 | 450.0 | 455.5 | 5 | 3535 | 90 | – | 95 | 416 | 3 | 89 | 3 | 170 |
| SPA500-06 | 6 | 500.0 | 505.5 | 5 | 3535 | 90 | – | 95 | 466 | 3 | 89 | 3 | 170 |
| SPA560-06 | 6 | 560.0 | 565.5 | 5 | 3535 | 90 | – | 95 | 526 | 3 | 89 | 3 | 170 |
| SPA630-06 | 6 | 630.0 | 635.5 | 4 | 4040 | 100 | – | 95 | 596 | 3.5 | 102 | 3.5 | 200 |
| SPA800-06 | 6 | 800.0 | 805.5 | 4 | 4040 | 100 | – | 95 | 596 | 3.5 | 102 | 3.5 | 200 |
| SPA1000-06 | 6 | 1000.0 | 1005.5 | 4 | 4040 | 110 | – | 95 | 596 | 9.5 | 114 | 9.5 | 225 |
