Timing Pulley – Imperial Taper Lock
Product Specifications
L050

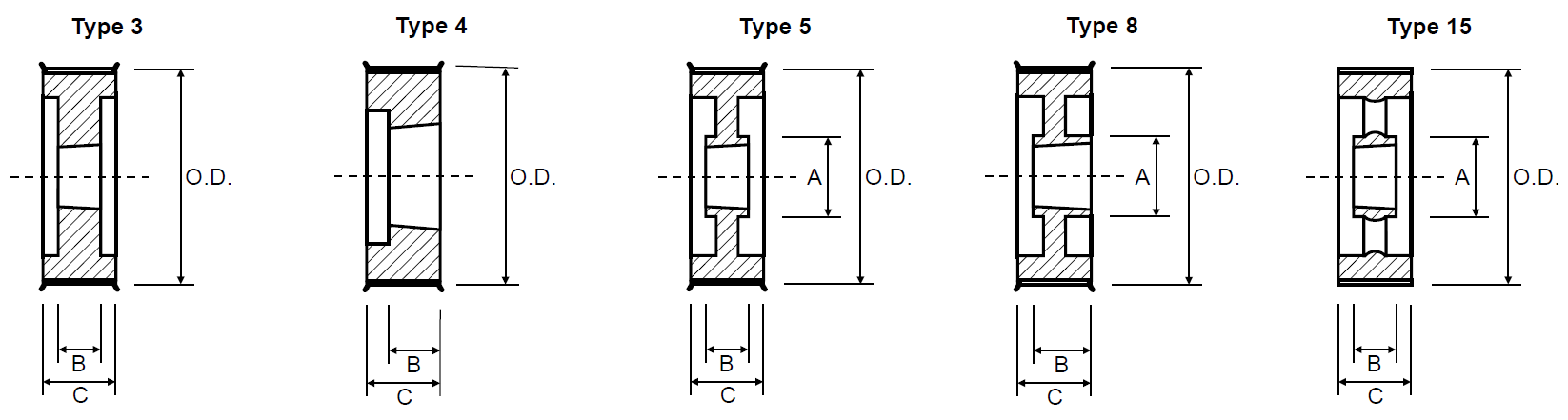
| Part Code | O.D. | Type | Bush | A | B | C | Flanged/No Flanges | Material |
|---|---|---|---|---|---|---|---|---|
| 18-L-050TL | 53.8 | 1 | 1108 | 47.0 | 22.0 | 19.0 | Flanged | Cast Iron |
| 19-L-050TL | 56.8 | 1 | 1108 | 47.0 | 22.0 | 19.0 | ||
| 20-L-050TL | 59.9 | 1 | 1108 | 48.0 | 22.0 | 19.0 | ||
| 21-L-050TL | 62.9 | 1 | 1108 | 48.0 | 22.0 | 19.0 | ||
| 22-L-050TL | 65.9 | 1 | 1108 | 51.0 | 22.0 | 19.0 | ||
| 23-L-050TL | 69.0 | 1 | 1108 | 51.0 | 22.0 | 19.0 | ||
| 24-L-050TL | 72.0 | 1 | 1108 | 58.0 | 22.0 | 19.0 | ||
| 25-L-050TL | 75.0 | 1 | 1108 | 58.0 | 22.0 | 19.0 | ||
| 26-L-050TL | 78.1 | 1 | 1108 | 58.0 | 22.0 | 19.0 | ||
| 27-L-050TL | 81.1 | 1 | 1108 | 58.0 | 22.0 | 19.0 | ||
| 28-L-050TL | 84.1 | 1 | 1108 | 58.0 | 22.0 | 19.0 | ||
| 30-L-050TL | 90.2 | 1 | 1108 | 58.0 | 22.0 | 19.0 | ||
| 32-L-050TL | 96.3 | 1 | 1108 | 58.0 | 22.0 | 19.0 | ||
| 36-L-050TL | 108.4 | 6 | 1108 | 58.0 | 22.0 | 19.0 | ||
| 40-L-050TL | 120.5 | 1 | 1610 | 90.0 | 25.0 | 19.0 | ||
| 44-L-050TL | 132.6 | 6 | 1610 | 90.0 | 25.0 | 19.0 | ||
| 48-L-050TL | 144.8 | 6 | 1610 | 90.0 | 25.0 | 19.0 | ||
| 60-L-050TL | 181.2 | 16 | 1610 | 90.0 | 25.0 | 19.0 | No Flanges | |
| 72-L-050TL | 217.5 | 13 | 1610 | 90.0 | 25.0 | 19.0 | ||
| 84-L-050TL | 253.9 | 13 | 1610 | 90.0 | 25.0 | 19.0 | ||
| 96-L-050TL | 290.3 | 13 | 2012 | 110.0 | 32.0 | 19.0 | ||
| 120-L-050TL | 363.1 | 13 | 2012 | 110.0 | 32.0 | 19.0 |
L100

| Part Code | O.D. | Type | Bush | A | B | C | Flanged/No Flanges | Material |
|---|---|---|---|---|---|---|---|---|
| 18-L-100PB | 53.8 | 4 | 1108 | – | 22.0 | 32.0 | Flanged | Cast Iron |
| 19-L-100PB | 56.8 | 4 | 1108 | – | 22.0 | 32.0 | ||
| 20-L-100PB | 59.9 | 4 | 1108 | – | 22.0 | 32.0 | ||
| 21-L-100PB | 62.9 | 4 | 1108 | – | 22.0 | 32.0 | ||
| 22-L-100PB | 65.9 | 4 | 1108 | – | 22.0 | 32.0 | ||
| 23-L-100PB | 69.0 | 4 | 1108 | – | 22.0 | 32.0 | ||
| 24-L-100PB | 72.0 | 4 | 1108 | – | 22.0 | 32.0 | ||
| 25-L-100PB | 75.0 | 4 | 1108 | – | 22.0 | 32.0 | ||
| 26-L-100PB | 78.1 | 4 | 1108 | – | 22.0 | 32.0 | ||
| 27-L-100PB | 81.1 | 4 | 1108 | – | 22.0 | 32.0 | ||
| 28-L-100PB | 84.1 | 4 | 1108 | – | 22.0 | 32.0 | ||
| 30-L-100PB | 90.2 | 4 | 1210 | – | 25.0 | 32.0 | ||
| 32-L-100PB | 96.3 | 4 | 1210 | – | 25.0 | 32.0 | ||
| 36-L-100PB | 108.4 | 4 | 1610 | – | 25.0 | 32.0 | ||
| 40-L-100PB | 120.5 | 4 | 1610 | – | 25.0 | 32.0 | ||
| 44-L-100PB | 132.6 | 8 | 1610 | 90.0 | 25.0 | 32.0 | ||
| 48-L-100PB | 144.8 | 8 | 1610 | 90.0 | 25.0 | 32.0 | ||
| 60-L-100PB | 181.2 | 12 | 1610 | 90.0 | 25.0 | 32.0 | No Flanges | |
| 72-L-100PB | 217.5 | 10 | 2012 | 90.0 | 32.0 | 32.0 | ||
| 84-L-100PB | 253.9 | 14 | 2012 | 90.0 | 32.0 | 32.0 | ||
| 96-L-100PB | 290.3 | 14 | 2012 | 110.0 | 32.0 | 32.0 | ||
| 120-L-100PB | 363.1 | 14 | 2012 | 110.0 | 32.0 | 32.0 |
H100

| Part Code | O.D. | Type | Bush | A | B | C | Flanged/No Flanges | Material |
|---|---|---|---|---|---|---|---|---|
| 14-H-100TL | 55.2 | 4 | 1108 | – | 22 | 31.0 | Flanged | Cast Iron |
| 15-H-100TL | 59.3 | 4 | 1108 | – | 22 | 31.0 | ||
| 16-H-100TL | 63.3 | 4 | 1108 | – | 22 | 31.0 | ||
| 17-H-100TL | 67.4 | 4 | 1210 | – | 25 | 31.0 | ||
| 18-H-100TL | 71.4 | 4 | 1210 | – | 25 | 31.0 | ||
| 19-H-100TL | 75.4 | 4 | 1210 | – | 25 | 31.0 | ||
| 20-H-100TL | 79.5 | 4 | 1210 | – | 25 | 31.0 | ||
| 21-H-100TL | 83.5 | 4 | 1210 | – | 25 | 31.0 | ||
| 22-H-100TL | 87.6 | 4 | 1210 | – | 25 | 31.0 | ||
| 23-H-100TL | 91.6 | 4 | 1610 | – | 25 | 31.0 | ||
| 24-H-100TL | 95.7 | 4 | 1610 | – | 25 | 31.0 | ||
| 25-H-100TL | 99.7 | 4 | 1610 | – | 25 | 31.0 | ||
| 26-H-100TL | 103.7 | 4 | 1610 | – | 25 | 31.0 | ||
| 27-H-100TL | 107.8 | 4 | 1610 | – | 25 | 31.0 | ||
| 28-H-100TL | 111.9 | 4 | 1610 | – | 25 | 31.0 | ||
| 30-H-100TL | 120 | 4 | 1610 | – | 25 | 31.0 | ||
| 32-H-100TL | 128 | 8 | 1610 | 82.0 | 25 | 31.0 | ||
| 36-H-100TL | 144.2 | 8 | 1610 | 82.0 | 25 | 31.0 | ||
| 40-H-100TL | 160.3 | 8 | 1610 | 82.0 | 25 | 31.0 | ||
| 44-H-100TL | 176.5 | 7 | 2012 | 110.0 | 32 | 31.0 | ||
| 48-H-100TL | 192.7 | 7 | 2012 | 110.0 | 32 | 31.0 | ||
| 60-H-100TL | 241.2 | 12 | 2012 | 110.0 | 32 | 31.0 | No Flanges | |
| 72-H-100TL | 289.7 | 15 | 2012 | 110.0 | 32 | 31.0 | ||
| 84-H-100TL | 338.2 | 15 | 2012 | 110.0 | 32 | 31.0 | ||
| 96-H-100TL | 386.7 | 13 | 2517 | 120.0 | 45 | 31.0 | ||
| 120-H-100TL | 483.7 | 13 | 2517 | 120.0 | 45 | 31.0 |
H150

| Part Code | O.D. | Type | Bush | A | B | C | Flanged/No Flanges | Material |
|---|---|---|---|---|---|---|---|---|
| 14-H-150TL | 55.2 | 4 | 1108 | – | 22 | 45.0 | Flanged | Cast Iron |
| 15-H-150TL | 59.3 | 4 | 1108 | – | 22 | 45.0 | ||
| 16-H-150TL | 63.3 | 4 | 1108 | – | 22 | 45.0 | ||
| 17-H-150TL | 67.4 | 4 | 1210 | – | 25 | 45.0 | ||
| 18-H-150TL | 71.4 | 4 | 1210 | – | 25 | 45.0 | ||
| 19-H-150TL | 75.4 | 4 | 1210 | – | 25 | 45.0 | ||
| 20-H-150TL | 79.5 | 4 | 1210 | – | 25 | 45.0 | ||
| 21-H-150TL | 83.5 | 4 | 1210 | – | 25 | 45.0 | ||
| 22-H-150TL | 87.6 | 4 | 1210 | – | 25 | 45.0 | ||
| 23-H-150TL | 91.6 | 4 | 1610 | – | 25 | 45.0 | ||
| 24-H-150TL | 95.7 | 4 | 1610 | – | 25 | 45.0 | ||
| 25-H-150TL | 99.7 | 4 | 1610 | – | 25 | 45.0 | ||
| 26-H-150TL | 103.7 | 4 | 1610 | – | 25 | 45.0 | ||
| 27-H-150TL | 107.8 | 4 | 1610 | – | 25 | 45.0 | ||
| 28-H-150TL | 111.9 | 4 | 1610 | – | 25 | 45.0 | ||
| 30-H-150TL | 120 | 4 | 1610 | – | 25 | 45.0 | ||
| 32-H-150TL | 128 | 8 | 1610 | 82.0 | 25 | 45.0 | ||
| 36-H-150TL | 144.2 | 8 | 1610 | 82.0 | 25 | 45.0 | ||
| 40-H-150TL | 160.3 | 8 | 1610 | 82.0 | 25 | 45.0 | ||
| 44-H-150TL | 176.5 | 8 | 2012 | 110.0 | 32 | 45.0 | ||
| 48-H-150TL | 192.7 | 8 | 2012 | 110.0 | 32 | 45.0 | ||
| 60-H-150TL | 241.2 | 15 | 2012 | 110.0 | 32 | 45.0 | No Flanges | |
| 72-H-150TL | 289.7 | 15 | 2012 | 110.0 | 32 | 45.0 | ||
| 84-H-150TL | 338.2 | 15 | 2012 | 110.0 | 32 | 45.0 | ||
| 96-H-150TL | 386.7 | 15 | 2517 | 120.0 | 45 | 45.0 | ||
| 120-H-150TL | 483.7 | 15 | 2517 | 120.0 | 45 | 45.0 |
H200

| Part Code | O.D. | Type | Bush | A | B | C | Flanged/No Flanges | Material |
|---|---|---|---|---|---|---|---|---|
| 16-H-200TL | 63.3 | 4 | 1108 | – | 22.0 | 58.0 | Flanged | Cast Iron |
| 18-H-200TL | 71.4 | 4 | 1210 | – | 25.0 | 58.0 | ||
| 20-H-200TL | 79.5 | 4 | 1610 | – | 25.0 | 58.0 | ||
| 22-H-200TL | 87.6 | 4 | 1610 | – | 25.0 | 58.0 | ||
| 24-H-200TL | 95.7 | 4 | 1610 | – | 25.0 | 58.0 | ||
| 26-H-200TL | 103.7 | 4 | 1610 | – | 25.0 | 58.0 | ||
| 28-H-200TL | 111.9 | 4 | 1610 | – | 25.0 | 58.0 | ||
| 30-H-200TL | 119.9 | 4 | 1610 | – | 25.0 | 58.0 | ||
| 32-H-200TL | 128.0 | 4 | 2012 | – | 32.0 | 58.0 | ||
| 36-H-200TL | 144.2 | 8 | 2012 | 102.0 | 32.0 | 58.0 | ||
| 40-H-200TL | 160.3 | 8 | 2012 | 110.0 | 32.0 | 58.0 | ||
| 44-H-200TL | 176.5 | 8 | 2012 | 110.0 | 32.0 | 58.0 | ||
| 48-H-200TL | 192.7 | 8 | 2517 | 120.0 | 45.0 | 58.0 | ||
| 60-H-200TL | 241.2 | 15 | 2517 | 120.0 | 45.0 | 58.0 | No Flanges | |
| 72-H-200TL | 289.7 | 15 | 2517 | 120.0 | 45.0 | 58.0 | ||
| 84-H-200TL | 338.2 | 15 | 2517 | 120.0 | 45.0 | 58.0 | ||
| 96-H-200TL | 386.7 | 15 | 2517 | 120.0 | 45.0 | 58.0 | ||
| 120-H-200TL | 483.7 | 15 | 2517 | 120.0 | 45.0 | 58.0 |
H300

| Part Code | O.D. | Type | Bush | A | B | C | Flanged/No Flanges | Material |
|---|---|---|---|---|---|---|---|---|
| 20-H-300TL | 79.5 | 3 | 1615 | – | 38.0 | 58.0 | Flanged | Cast Iron |
| 22-H-300TL | 87.6 | 3 | 1615 | – | 38.0 | 58.0 | ||
| 24-H-300TL | 95.7 | 3 | 1615 | – | 38.0 | 58.0 | ||
| 26-H-300TL | 103.7 | 3 | 1615 | – | 38.0 | 58.0 | ||
| 28-H-300TL | 111.9 | 3 | 2012 | – | 32.0 | 58.0 | ||
| 30-H-300TL | 119.9 | 3 | 2012 | – | 32.0 | 58.0 | ||
| 32-H-300TL | 128.0 | 3 | 2517 | – | 45.0 | 58.0 | ||
| 36-H-300TL | 144.2 | 3 | 2517 | – | 45.0 | 58.0 | ||
| 40-H-300TL | 160.3 | 5 | 2517 | 120.0 | 45.0 | 58.0 | ||
| 44-H-300TL | 176.5 | 5 | 2517 | 120.0 | 45.0 | 58.0 | ||
| 48-H-300TL | 192.7 | 5 | 2517 | 120.0 | 45.0 | 58.0 | ||
| 60-H-300TL | 241.2 | 15 | 2517 | 120.0 | 45.0 | 58.0 | No Flanges | |
| 72-H-300TL | 289.7 | 15 | 2517 | 120.0 | 45.0 | 58.0 | ||
| 84-H-300TL | 338.2 | 15 | 2517 | 120.0 | 45.0 | 58.0 | ||
| 96-H-300TL | 386.7 | 15 | 3030 | 146.0 | 76.0 | 58.0 | ||
| 120-H-300TL | 483.7 | 15 | 3030 | 146.0 | 76.0 | 58.0 |
