Timing Pulley – Imperial Pilot Bore
Product Specifications
XL037

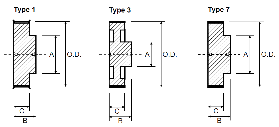
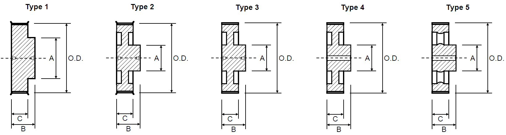
| Part Code | O.D. | Type | A | B | C | Flanged/No Flanges | Material |
|---|---|---|---|---|---|---|---|
| 10XL037 | 15.7 | 1 | 12.0 | 25.0 | 14.3 | Flanged | Aluminium |
| 11XL037 | 17.3 | 1 | 12.0 | 25.0 | 14.3 | ||
| 12XL037 | 18.9 | 1 | 12.0 | 25.0 | 14.3 | ||
| 13XL037 | 20.5 | 1 | 12.0 | 25.0 | 14.3 | ||
| 14XL037 | 22.1 | 1 | 16.0 | 25.0 | 14.3 | ||
| 15XL037 | 23.7 | 1 | 17.0 | 25.0 | 14.3 | ||
| 16XL037 | 25.4 | 1 | 20.0 | 25.0 | 14.3 | ||
| 17XL037 | 27.0 | 1 | 20.0 | 25.0 | 14.3 | ||
| 18XL037 | 28.6 | 1 | 20.0 | 25.0 | 14.3 | ||
| 19XL037 | 30.2 | 1 | 25.0 | 25.0 | 14.3 | ||
| 20XL037 | 31.8 | 1 | 25.0 | 25.0 | 14.3 | ||
| 21XL037 | 33.5 | 1 | 26.0 | 25.0 | 14.3 | ||
| 22XL037 | 35.1 | 1 | 27.0 | 25.0 | 14.3 | ||
| 24XL037 | 38.3 | 1 | 30.0 | 25.0 | 14.3 | ||
| 25XL037 | 39.9 | 1 | 25.0 | 25.0 | 14.3 | ||
| 26XL037 | 41.5 | 1 | 30.0 | 25.0 | 14.3 | ||
| 27XL037 | 43.2 | 1 | 32.0 | 25.0 | 14.3 | ||
| 28XL037 | 44.8 | 1 | 34.0 | 25.0 | 14.3 | ||
| 30XL037 | 48.0 | 1 | 38.0 | 25.0 | 14.3 | ||
| 32XL037 | 51.2 | 7 | 45.0 | 25.0 | 14.3 | No Flanges | |
| 34XL037 | 54.5 | 7 | 45.0 | 25.0 | 14.3 | ||
| 36XL037 | 57.7 | 7 | 52.0 | 25.0 | 14.3 | ||
| 40XL037 | 64.2 | 7 | 52.0 | 25.0 | 14.3 | ||
| 42XL037 | 67.4 | 7 | 52.0 | 25.0 | 14.3 | ||
| 44XL037 | 70.6 | 7 | 52.0 | 25.0 | 14.3 | ||
| 48XL037 | 77.1 | 7 | 52.0 | 25.0 | 14.3 | ||
| 52XL037 | 83.8 | 3 | 52.0 | 25.0 | 14.3 | ||
| 56XL037 | 90.0 | 3 | 52.0 | 25.0 | 14.3 | ||
| 60XL037 | 96.5 | 3 | 52.0 | 25.0 | 14.3 | ||
| 72XL037 | 115.9 | 3 | 52.0 | 25.0 | 14.3 |
L050

| Part Code | O.D. | Type | A | B | C | Flanged/No Flanges | Material |
|---|---|---|---|---|---|---|---|
| 10-L-050PB | 29.6 | 1 | 20.0 | 30.0 | 19.0 | Flanged | Steel |
| 11-L-050PB | 32.6 | 1 | 20.0 | 30.0 | 19.0 | ||
| 12-L-050PB | 35.6 | 1 | 27.0 | 30.0 | 19.0 | ||
| 13-L-050PB | 38.7 | 1 | 27.0 | 30.0 | 19.0 | ||
| 14-L-050PB | 41.7 | 1 | 29.0 | 30.0 | 19.0 | ||
| 15-L-050PB | 44.7 | 1 | 32.0 | 30.0 | 19.0 | ||
| 16-L-050PB | 47.8 | 1 | 37.0 | 30.0 | 19.0 | ||
| 17-L-050PB | 50.8 | 1 | 37.0 | 30.0 | 19.0 | ||
| 18-L-050PB | 53.8 | 1 | 41.0 | 30.0 | 19.0 | ||
| 19-L-050PB | 56.8 | 1 | 41.0 | 30.0 | 19.0 | ||
| 20-L-050PB | 59.9 | 1 | 47.0 | 30.0 | 19.0 | ||
| 21-L-050PB | 62.9 | 1 | 47.0 | 30.0 | 19.0 | ||
| 22-L-050PB | 65.9 | 1 | 50.0 | 30.0 | 19.0 | ||
| 23-L050PB | 69.0 | 1 | 50.0 | 30.0 | 19.0 | ||
| 24-L-050PB | 72.0 | 1 | 57.0 | 32.0 | 19.0 | ||
| 25-L-050PB | 75.0 | 1 | 58.0 | 32.0 | 19.0 | ||
| 26-L-050PB | 78.1 | 1 | 64.0 | 32.0 | 19.0 | ||
| 27-L-050PB | 81.1 | 1 | 64.0 | 32.0 | 19.0 | ||
| 28-L-050PB | 84.1 | 1 | 70.0 | 32.0 | 19.0 | ||
| 30-L-050PB | 90.2 | 1 | 72.0 | 34.0 | 19.0 | ||
| 32-L-050PB | 96.3 | 1 | 75.0 | 34.0 | 19.0 | ||
| 34-L-050PB | 102.3 | 1 | 85.0 | 34.0 | 19.0 | Cast Iron | |
| 36-L-050PB | 108.4 | 1 | 88.0 | 34.0 | 14.3 | ||
| 40-L-050PB | 120.5 | 2 | 68.0 | 34.0 | 19.0 | ||
| 44-L-050PB | 132.6 | 2 | 68.0 | 34.0 | 19.0 | ||
| 48-L-050PB | 144.8 | 2 | 68.0 | 46.0 | 19.0 | ||
| 60-L-050PB | 181.2 | 3 | 68.0 | 46.0 | 19.0 | No Flanges | |
| 72-L-050PB | 217.5 | 3 | 75.0 | 46.0 | 19.0 | ||
| 84-L-050PB | 253.9 | 3 | 75.0 | 46.0 | 19.0 | ||
| 96-L-050PB | 290.3 | 4 | 80.0 | 46.0 | 19.0 | ||
| 120-L-050PB | 363.1 | 5 | 85.0 | 46.0 | 19.0 |
L100

| Part Code | O.D. | Type | A | B | C | Flanged/No Flanges | Material |
|---|---|---|---|---|---|---|---|
| 10-L-100PB | 29.6 | 1 | 20.0 | 46.0 | 32.0 | Flanged | Steel |
| 11-L-100PB | 32.6 | 1 | 20.0 | 46.0 | 32.0 | ||
| 12-L-100PB | 35.6 | 1 | 27.0 | 46.0 | 32.0 | ||
| 13-L-100PB | 38.7 | 1 | 27.0 | 46.0 | 32.0 | ||
| 14-L-100PB | 41.7 | 1 | 29.0 | 46.0 | 32.0 | ||
| 15-L-100PB | 44.7 | 1 | 32.0 | 46.0 | 32.0 | ||
| 16-L-100PB | 47.8 | 1 | 37.0 | 46.0 | 32.0 | ||
| 17-L-100PB | 50.8 | 1 | 37.0 | 46.0 | 32.0 | ||
| 18-L-100PB | 53.8 | 1 | 41.0 | 46.0 | 32.0 | ||
| 19-L-100PB | 56.8 | 1 | 41.0 | 46.0 | 32.0 | ||
| 20-L-100PB | 59.9 | 1 | 47.0 | 46.0 | 32.0 | ||
| 21-L-100PB | 62.9 | 1 | 47.0 | 46.0 | 32.0 | ||
| 22-L-100PB | 65.9 | 1 | 50.0 | 46.0 | 32.0 | ||
| 23-L050PB | 69.0 | 1 | 50.0 | 46.0 | 32.0 | ||
| 24-L-100PB | 72.0 | 1 | 57.0 | 46.0 | 32.0 | ||
| 25-L-100PB | 75.0 | 1 | 58.0 | 46.0 | 32.0 | ||
| 26-L-100PB | 78.1 | 1 | 64.0 | 46.0 | 32.0 | ||
| 27-L-100PB | 81.1 | 1 | 64.0 | 46.0 | 32.0 | ||
| 28-L-100PB | 84.1 | 1 | 70.0 | 46.0 | 32.0 | ||
| 30-L-100PB | 90.2 | 1 | 72.0 | 46.0 | 32.0 | ||
| 32-L-100PB | 96.3 | 1 | 75.0 | 46.0 | 32.0 | ||
| 34-L-100PB | 102.3 | 1 | 85.0 | 46.0 | 32.0 | Cast Iron | |
| 36-L-100PB | 108.4 | 1 | 88.0 | 46.0 | 32.0 | ||
| 40-L-100PB | 120.5 | 2 | 68.0 | 46.0 | 32.0 | ||
| 44-L-100PB | 132.6 | 2 | 68.0 | 46.0 | 32.0 | ||
| 48-L-100PB | 144.8 | 2 | 68.0 | 50.0 | 32.0 | ||
| 60-L-100PB | 181.2 | 3 | 75.0 | 54.0 | 32.0 | No Flanges | |
| 72-L-100PB | 217.5 | 3 | 75.0 | 54.0 | 32.0 | ||
| 84-L-100PB | 253.9 | 3 | 80.0 | 54.0 | 32.0 | ||
| 96-L-100PB | 290.3 | 4 | 80.0 | 54.0 | 32.0 | ||
| 120-L-100PB | 363.1 | 5 | 90.0 | 54.0 | 32.0 |
H100

| Part Code | O.D. | Type | A | B | C | Flanged/No Flanges | Material |
|---|---|---|---|---|---|---|---|
| 14-H-100PB | 55.2 | 1 | 40.0 | 44.0 | 33.0 | Flanged | Steel |
| 15-H-100PB | 59.3 | 1 | 45.0 | 44.0 | 33.0 | ||
| 16-H-100PB | 63.3 | 1 | 47.0 | 44.0 | 33.0 | ||
| 17-H-100PB | 67.4 | 1 | 49.0 | 44.0 | 33.0 | ||
| 18-H-100PB | 71.4 | 1 | 57.0 | 44.0 | 33.0 | ||
| 19-H-100PB | 75.4 | 1 | 60.0 | 44.0 | 33.0 | ||
| 20-H-100PB | 79.5 | 1 | 64.0 | 44.0 | 33.0 | ||
| 21-H-100PB | 83.5 | 1 | 64.0 | 44.0 | 33.0 | ||
| 22-H-100PB | 87.6 | 1 | 70.0 | 44.0 | 33.0 | ||
| 23-L050PB | 91.6 | 1 | 72.0 | 44.0 | 33.0 | ||
| 24-H-100PB | 95.7 | 1 | 80.0 | 44.0 | 33.0 | ||
| 25-H-100PB | 99.7 | 1 | 80.0 | 44.0 | 33.0 | ||
| 26-H-100PB | 103.7 | 1 | 85.0 | 44.0 | 33.0 | ||
| 27-H-100PB | 107.8 | 1 | 88.0 | 44.0 | 33.0 | Cast Iron | |
| 28-H-100PB | 111.9 | 1 | 94.0 | 48.0 | 33.0 | ||
| 30-H-100PB | 119.9 | 1 | 104.0 | 50.0 | 33.0 | ||
| 32-H-100PB | 128.0 | 1 | 112.0 | 52.0 | 33.0 | ||
| 34-H-100PB | 136.1 | 1 | 118.0 | 52.0 | 33.0 | ||
| 36-H-100PB | 144.2 | 2 | 75.0 | 52.0 | 14.3 | ||
| 40-H-100PB | 160.3 | 2 | 75.0 | 54.0 | 33.0 | ||
| 44-H-100PB | 176.5 | 2 | 75.0 | 54.0 | 33.0 | ||
| 48-H-100PB | 192.7 | 2 | 75.0 | 60.0 | 33.0 | ||
| 60-H-100PB | 241.2 | 3 | 80.0 | 60.0 | 33.0 | No Flanges | |
| 72-H-100PB | 289.7 | 3 | 80.0 | 60.0 | 33.0 | ||
| 84-H-100PB | 338.2 | 5 | 90.0 | 60.0 | 33.0 | ||
| 96-H-100PB | 386.7 | 5 | 100.0 | 60.0 | 33.0 | ||
| 120-H-100PB | 483.7 | 5 | 100.0 | 60.0 | 33.0 | ||
| 156-H-100PB | 629.3 | 5 | 120.0 | 60.0 | 33.0 |
H150

| Part Code | O.D. | Type | A | B | C | Flanged/No Flanges | Material |
|---|---|---|---|---|---|---|---|
| 14-H-150PB | 55.2 | 1 | 40.0 | 58.0 | 46.0 | Flanged | Steel |
| 15-H-150PB | 59.3 | 1 | 45.0 | 58.0 | 46.0 | ||
| 16-H-150PB | 63.3 | 1 | 47.0 | 58.0 | 46.0 | ||
| 17-H-150PB | 67.4 | 1 | 49.0 | 58.0 | 46.0 | ||
| 18-H-150PB | 71.4 | 1 | 57.0 | 58.0 | 46.0 | ||
| 19-H-150PB | 75.4 | 1 | 60.0 | 58.0 | 46.0 | ||
| 20-H-150PB | 79.5 | 1 | 64.0 | 58.0 | 46.0 | ||
| 21-H-150PB | 83.5 | 1 | 64.0 | 58.0 | 46.0 | ||
| 22-H-150PB | 87.6 | 1 | 70.0 | 58.0 | 46.0 | ||
| 23-L050PB | 91.6 | 1 | 72.0 | 58.0 | 46.0 | ||
| 24-H-150PB | 95.7 | 1 | 80.0 | 58.0 | 46.0 | ||
| 25-H-150PB | 99.7 | 1 | 80.0 | 58.0 | 46.0 | ||
| 26-H-150PB | 103.7 | 1 | 85.0 | 58.0 | 46.0 | ||
| 27-H-150PB | 107.8 | 1 | 88.0 | 58.0 | 46.0 | Cast Iron | |
| 28-H-150PB | 111.9 | 1 | 94.0 | 58.0 | 46.0 | ||
| 30-H-150PB | 119.9 | 1 | 104.0 | 58.0 | 46.0 | ||
| 32-H-150PB | 128.0 | 1 | 112.0 | 58.0 | 46.0 | ||
| 34-H-150PB | 136.1 | 1 | 118.0 | 58.0 | 46.0 | ||
| 36-H-150PB | 144.2 | 2 | 75.0 | 58.0 | 14.3 | ||
| 40-H-150PB | 160.3 | 2 | 75.0 | 70.0 | 46.0 | ||
| 44-H-150PB | 176.5 | 2 | 75.0 | 70.0 | 46.0 | ||
| 48-H-150PB | 192.7 | 2 | 75.0 | 70.0 | 46.0 | ||
| 60-H-150PB | 241.2 | 3 | 80.0 | 70.0 | 46.0 | No Flanges | |
| 72-H-150PB | 289.7 | 3 | 80.0 | 70.0 | 46.0 | ||
| 84-H-150PB | 338.2 | 5 | 90.0 | 70.0 | 46.0 | ||
| 96-H-150PB | 386.7 | 5 | 100.0 | 70.0 | 46.0 | ||
| 120-H-150PB | 483.7 | 5 | 100.0 | 70.0 | 46.0 | ||
| 156-H-150PB | 629.3 | 5 | 120.0 | 70.0 | 46.0 |
H200

| Part Code | O.D. | Type | A | B | C | Flanged/No Flanges | Material |
|---|---|---|---|---|---|---|---|
| 16-H-200PB | 63.3 | 1 | 47.0 | 72.0 | 59.5 | Flanged | Steel |
| 18-H-200PB | 71.4 | 1 | 57.0 | 72.0 | 59.5 | ||
| 20-H-200PB | 79.5 | 1 | 64.0 | 72.0 | 59.5 | ||
| 22-H-200PB | 87.6 | 1 | 70.0 | 72.0 | 59.5 | ||
| 24-H-200PB | 95.7 | 1 | 80.0 | 72.0 | 59.5 | ||
| 26-H-200PB | 103.7 | 1 | 85.0 | 72.0 | 59.5 | Cast Iron | |
| 28-H-200PB | 111.9 | 1 | 94.0 | 72.0 | 59.5 | ||
| 30-H-200PB | 119.9 | 1 | 104.0 | 72.0 | 59.5 | ||
| 32-H-200PB | 128.0 | 1 | 112.0 | 72.0 | 59.5 | ||
| 36-H-200PB | 144.2 | 2 | 80.0 | 72.0 | 59.5 | ||
| 40-H-200PB | 160.3 | 2 | 80.0 | 72.0 | 59.5 | ||
| 44-H-200PB | 176.5 | 2 | 80.0 | 72.0 | 59.5 | ||
| 48-H-200PB | 192.7 | 2 | 80.0 | 80.0 | 59.5 | ||
| 60-H-200PB | 241.2 | 3 | 90.0 | 80.0 | 59.5 | No Flanges | |
| 72-H-200PB | 289.7 | 3 | 90.0 | 80.0 | 59.5 | ||
| 84-H-200PB | 338.2 | 5 | 100.0 | 80.0 | 59.5 | ||
| 96-H-200PB | 386.7 | 5 | 100.0 | 80.0 | 59.5 | ||
| 120-H-200PB | 483.7 | 5 | 120.0 | 80.0 | 59.5 | ||
| 156-H-200PB | 629.3 | 5 | 130.0 | 80.0 | 59.5 |
H300

| Part Code | O.D. | Type | A | B | C | Flanged/No Flanges | Material |
|---|---|---|---|---|---|---|---|
| 18-H-300PB | 71.4 | 1 | 57.0 | 98.0 | 85.7 | Flanged | Steel |
| 20-H-300PB | 79.5 | 1 | 64.0 | 98.0 | 85.7 | ||
| 22-H-300PB | 87.6 | 1 | 70.0 | 98.0 | 85.7 | ||
| 24-H-300PB | 95.7 | 1 | 98.0 | 98.0 | 85.7 | Cast Iron | |
| 26-H-300PB | 103.7 | 1 | 85.0 | 98.0 | 85.7 | ||
| 28-H-300PB | 111.9 | 1 | 94.0 | 98.0 | 85.7 | ||
| 30-H-300PB | 119.9 | 1 | 104.0 | 98.0 | 85.7 | ||
| 32-H-300PB | 128.0 | 1 | 112.0 | 98.0 | 85.7 | ||
| 36-H-300PB | 144.2 | 2 | 80.0 | 98.0 | 85.7 | ||
| 40-H-300PB | 160.3 | 2 | 80.0 | 98.0 | 85.7 | ||
| 44-H-300PB | 176.5 | 2 | 80.0 | 98.0 | 85.7 | ||
| 48-H-300PB | 192.7 | 2 | 90.0 | 98.0 | 85.7 | ||
| 60-H-300PB | 241.2 | 3 | 100.0 | 98.0 | 85.7 | No Flanges | |
| 72-H-300PB | 289.7 | 3 | 100.0 | 98.0 | 85.7 | ||
| 84-H-300PB | 338.2 | 5 | 100.0 | 98.0 | 85.7 | ||
| 96-H-300PB | 386.7 | 5 | 110.0 | 98.0 | 85.7 | ||
| 120-H-300PB | 483.7 | 5 | 120.0 | 98.0 | 85.7 | ||
| 156-H-300PB | 629.3 | 5 | 130.0 | 98.0 | 85.7 |
