Standard Motor Mounts
TransDrive Standard Motor Mounts are designed to deliver a strong, reliable and cost-effective solution for securing electric motors across a wide range of industrial applications. Manufactured from durable pressed steel, these motor mounts provide excellent strength and long-lasting performance, making them ideal for demanding environments where stability and precision are essential.
Supporting a broader motor frame size range from 63 to 225. TransDrive Standard Motor Mounts are well-suited for larger motors and heavier-duty installations. Their robust construction and ensures secure positioning on machine beds, helping to maintain accurate alignment and reduce vibration during operation.
Unlike Rapid-Fit Motor Mounts, which are specifically designed for smaller motors and quick installation, the TransDrive Standard Motor Mount range is engineered for applications that require enhanced load capacity and long-term durability.
The design of these pressed steel motor mounts allows for straightforward installation while maintaining the strength needed to support larger motors. By providing a stable mounting platform, TransDrive Standard Motor Mounts help improve equipment performance, extend component life, and reduce maintenance requirements.

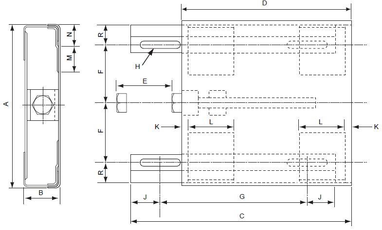
Product Specifications
| Base Ref | Motor Frame Ref | Motor Bolt Holes | A | B | C | D | Movement E | J | K | M | N | R | SW | Weight kg |
|---|---|---|---|---|---|---|---|---|---|---|---|---|---|---|
| 0 | 63 | 7 | 146 | 29 | 225 | 170 | 80 | 27 | 60 | 50 | 32 | 15.0 | 17 | 1.4 |
| 71 | ||||||||||||||
| A | 80 | 10 | 240 | 55 | 325 | 258 | 100 | 45 | 10 | 70 | 51 | 28.5 | 24 | 5.3 |
| 90S | ||||||||||||||
| 90L | ||||||||||||||
| 100S | 12 | |||||||||||||
| 100L | ||||||||||||||
| 112S | ||||||||||||||
| 112M | ||||||||||||||
| 132S | ||||||||||||||
| B | 132M | 12 | 428 | 60 | 578 | 450 | 180 | 51 | 28 | 100 | 98 | 36.0 | 24 | 19.0 |
| 160M | 15 | |||||||||||||
| 160L | ||||||||||||||
| 180M | ||||||||||||||
| 180L | ||||||||||||||
| 200M | 19 | |||||||||||||
| 200L | ||||||||||||||
| 225S | ||||||||||||||
| 225M |
